Тип / Ед.измерения - 0,75 / 1000
Напряжение / Частота - 50 Гц / 380 В
Фазность ~ 3
Потребляемая мощность - 0,75 кВт
Частота вращения - 920 мин +1
Ток - 2,3 А
Производительность - 1200-3600 м3/час
Полное давление - 300-345 Па
Макс.температура перемещения воздуха - 80 С
Класс защиты двигателя - IР 54
Тип термозащиты - Встр.тд
Вес - 30 кг
Вставки гибкие (315 мм)
Вставки гибкие (221х221 мм)
Виброизоляторы - ДО 39
Выход (левый/правый) уточняйте у менеджера!!
Так же с вентилятором можно установить Регулятор скорости Регулятор скорости ATV310H075N4E частотный 0.75 кВт 380 В который преобретается отдельно
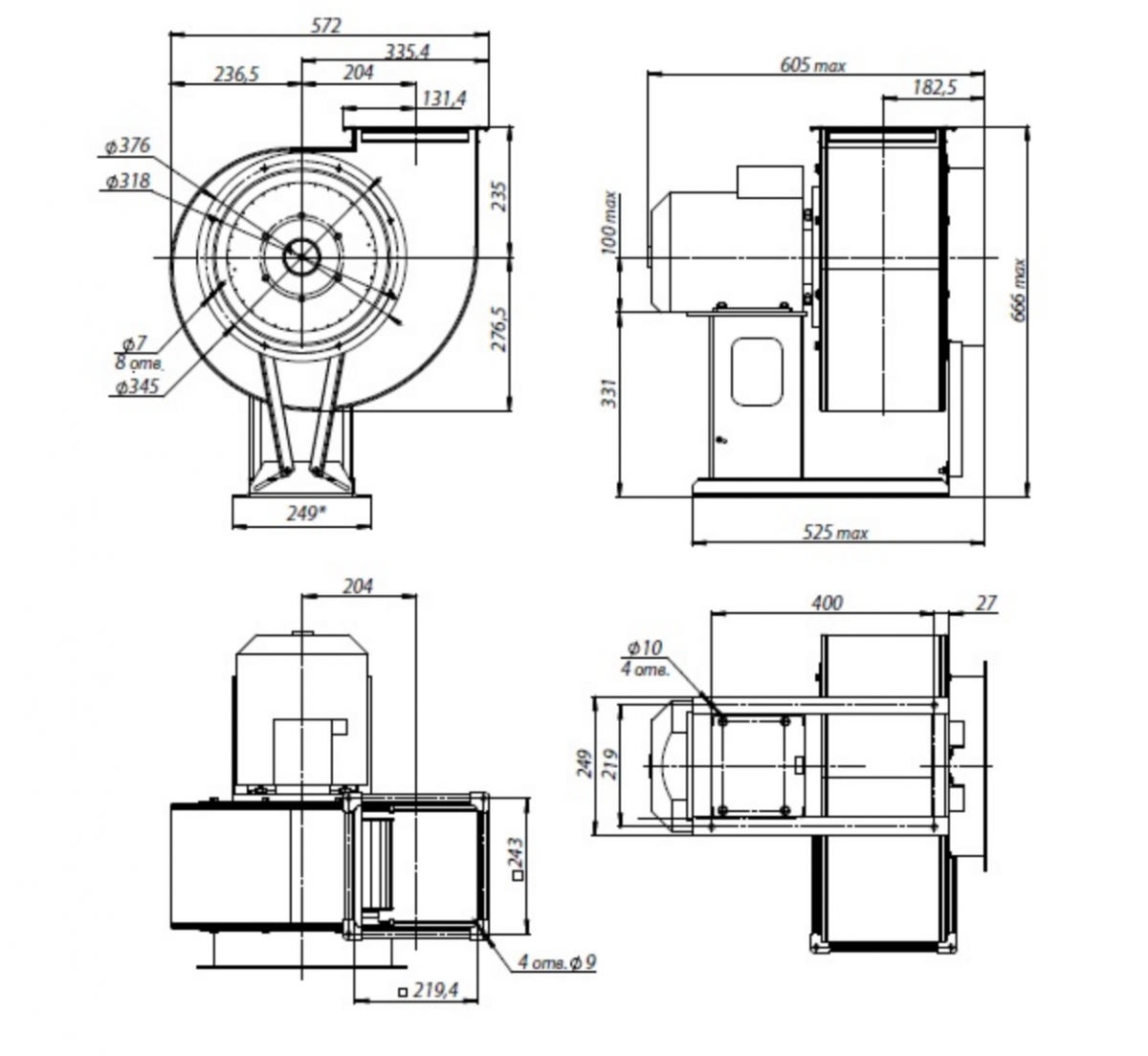
Радиальный вентилятор общего назначения ВР-300-45-3,15
Среднего давления
Встроенные термодатчики
Корпус из оцинкованной стали
Направление вращения - правое и левое
Радиальные вентиляторы общего назначения применяются в стационарных системах вентиляции, кондиционирования, воздушного отопления, технологических установках и т.д.
Они предназначены для перемещения невзрывоопасных газовых сред с температурой не выше 80 С для обычного исполнения (до 200 С для теплостойкого исполнения Ж2), содержащих твердые примеси не более 0,1 г/м3, не содержащих липких веществ и волокнистых материалов.
Гарантийный срок эксплуатации - 18 месяцев









